March 20, 1956 Only four days after his 76th birthday, inventor and engineer William Bushnell Stout died of a heart attack at his home in Phoenix, Arizona. Stout, who made significant innovations in the aviation and automotive fields, had been born in 1880 in Quincy, Illinois. After graduating from the Mechanic Arts High School in... Continue Reading →
Margaret A. Wilcox, who was born in Chicago in 1838, became a prolific mechanical engineer and inventor at a time when very few women -- due to prevailing social conventions -- played any meaningful role at all in these professions. She developed a strong interest in mechanical engineering early in life and would use her... Continue Reading →
December 24, 1801 A steam-powered road vehicle was introduced to the public during a test run that began in southwestern England’s town of Camborne. This full-sized vehicle had been designed and built by Richard Trevithick (1771-1833), a prolific inventor and mining engineer from that region. Trevithick nicknamed his creation the Puffing Devil. Six passengers were... Continue Reading →
November 13, 1899 In a widely publicized flight, Brazilian aviation pioneer Alberto Santos-Dumont (1873-1932) piloted an airship in the skies above Paris. He had been born in southeastern Brazil’s municipality of Palmira, which was eventually renamed after him, and ended up spending most of his adult life in France to more fully pursue his strong... Continue Reading →
April 14, 1960 Aviation pioneer Dr. William Whitney Christmas died at Bellevue Hospital in New York City at the age of 94. He was born on September 1, 1865, in the town of Warrenton, North Carolina. After earning his M.D. from George Washington University in 1905, Christmas practiced medicine for just a few years before devoting... Continue Reading →
October 30, 1906 Daniel Albone, an inventor who made key contributions to various types of transportation, died in the market town and civil parish of Biggleswade in southern England. He was 46. Albone was born in Biggleswade on September 12, 1860. He and his family lived in an area located between the Great North Road... Continue Reading →
May 20, 1946 Jacob Ellehammer, a longtime watchmaker who also used his mechanical talents to make seminal contributions to transportation, died in Denmark’s capital city of Copenhagen. He was 74. Ellehammer was born in the Danish village of Bakkebølle on June 14, 1871. After completing his apprenticeship as a watchmaker, he moved to Copenhagen and... Continue Reading →
Maria E. Beasley (c. 1836-1913), a pioneering female inventor who was born in North Carolina, is best known for creating machines and other industrial processes for the more efficient production of barrels. She also obtained patents for various other types of inventions, however, and some of those patents involved key improvements to transportation safety. ... Continue Reading →
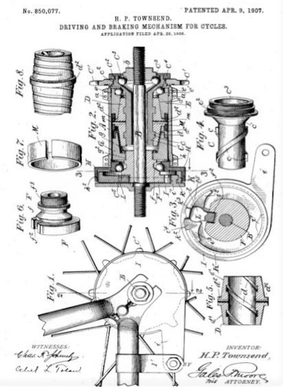
April 9, 1907 Civil engineer Harry Pond Townsend was granted U.S. Patent No. 850,077 for a coaster brake that he had created for bicycles. Townsend assigned the patent application to his employer, the New Departure Manufacturing Company of Bristol, Connecticut. (The company built its reputation on producing various types of bells, including bicycle bells, and those widely... Continue Reading →
Chapman Scanandoah, an inventor and decorated U.S. Navy serviceman who ultimately became chief of the Oneida people (one of the five founding nations of the Iroquois Confederacy), was born in 1870 in the town of Lenox in upstate New York. The name Scanandoah means “He Moves with Fire” in the Oneida language. (This name was... Continue Reading →
